Транспортной компанией:
Новая почта
Оплата
1. Безналичный расчет
Оплата на расчетный счет после уточнения всех деталей заказа.
2. Наложенный платеж (можем просить предоплату)
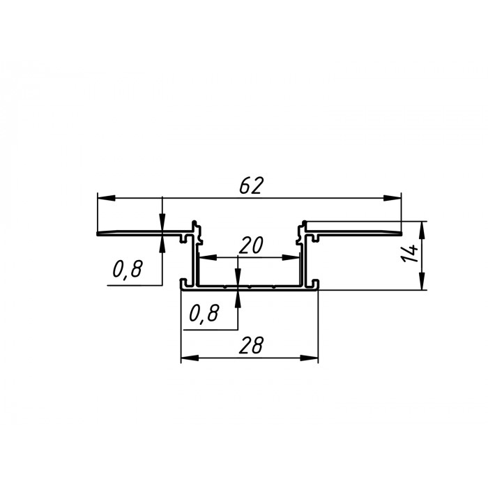
Алюмінієвий профіль під LED стрічку для вбудованого монтажу в штукатурку, з декоративною рамкою та матовим розсіювачем.
Цей профіль — ідеальне рішення для створення невидимих, але ефектних світлових ліній у гіпсокартонних конструкціях, стінах або стелі з декоративною обробкою.
Його спеціальна конструкція дозволяє повністю інтегрувати LED підсвітку в шар штукатурки, забезпечуючи рівномірне розсіювання світла без видимих меж.
Завдяки перфорованим фланцям по боках профілю, забезпечується надійна фіксація в штукатурному шарі — без тріщин і зміщень.
Профіль виготовлений з анодованого алюмінію, що гарантує високу теплопровідність і ефективне відведення тепла від світлодіодної стрічки.
Матовий розсіювач у комплекті забезпечує м’яке, приємне світло, зменшуючи ефект пікселізації навіть при встановленні потужних світлодіодів.
Монтаж виконується ще на етапі підготовки стін або стель, після чого профіль покривається шаром фінішної штукатурки, залишаючи лише тонку видиму смугу світла.
Це ідеальний варіант для реалізації лінійного архітектурного підсвічування у сучасних інтер’єрах, стилях мінімалізм, хай-тек, модерн.
Профіль сумісний з усіма типовими LED стрічками шириною до 12 мм, що дозволяє реалізовувати найрізноманітніші проєкти.
Завдяки своїй формі він може використовуватись як для декоративного підсвічування, так і для основного освітлення в прихованих нішах.
Профіль не тільки покращує естетику, але й значно подовжує термін служби світлодіодної стрічки за рахунок ефективного охолодження.
Може комбінуватися з іншими видами профілів у багаторівневих конструкціях або з гіпсокартонними коробами.
Довжина профілю легко обрізається під потрібний розмір, забезпечуючи зручний монтаж навіть у складних геометріях.
Простота монтажу і невидимість після фінішної обробки робить цей профіль вибором дизайнерів і монтажників.
Використовується як у житлових, так і комерційних приміщеннях: у квартирах, ресторанах, торгових залах, шоурумах, офісах.
Має бездоганну сумісність з сучасними сенсорними, димованими чи керованими системами освітлення.
Акция
О нас
Доставка и оплата
Полезная информация
Контакты
Освещение
Другие товары
Гриль и BBQ
Мебель 















